网站首页
时搏在线首页概况
时搏在线首页简介
部门架构
领导成员
部室任命
工作总结
时搏在线首页荣誉
企业文化
党的建设
党建工作
党风廉政
群团工作
中共第二十次代表大会
精神文明
新闻中心
时博shibo(中国)新闻
行业动态
行业规范
时博shibo(中国)业务
服务区管理
收费运营
重点项目建设
机电管理
养护管理
分子时搏在线首页动态
公示公告
公示公告
招标计划公告
安全生产
网站首页
公示公告
>
公示公告
公示公告
公示公告
招标计划公告
详细内容
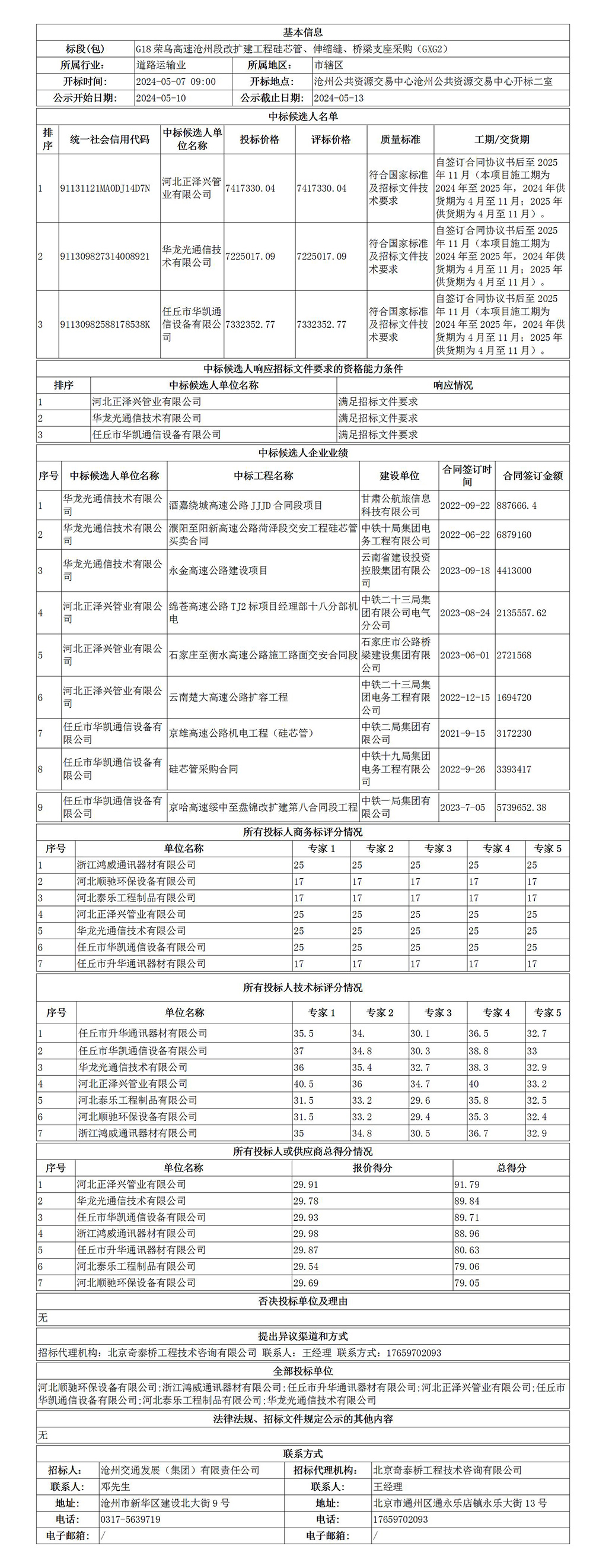
G18荣乌高速沧州段改扩建工程硅芯管、伸缩缝、桥梁支座采购(GXG2)中标候选人公示
华球
|
心博登录
|
九游体育(中国)官方网站
|
星空网·官方端网站
|
云博app官方在线入口
|
心博网
|
星空官网登录入口
|
乐动网页版登录入口
|
星空网官网
|